Debnath Mandal
Application Manager Marine
Phone: +45 2271 8830
October 2021
Ship owners and designers need to comply with the maritime industry's ever stricter regulations for reducing CO2 and greenhouse gas emissions. These new rules include the long-term Energy Efficiency Existing Ship Index (EEXI) and the Energy Efficiency Design Index (EEDI).
The regulations are part of the International Maritime Organization's (IMO's) strategy for reducing greenhouse gas emissions in international shipping by at least 40% by 2030 and 70% by 2050, compared to 2008.
The new measures will require all ships to calculate their EEXI following technical means to improve their energy efficiency and to establish their annual operational carbon intensity indicator (CII) and CII rating. Carbon intensity links the greenhouse gas emissions to the amount of cargo carried over distance travelled.
Ships will get a rating of their energy efficiency (A, B, C, D, E - where A is the best). Administrations, port authorities, and other stakeholders are encouraged to provide incentives to ships to be rated as A or B. A ship rated D for three consecutive years, or E, is required to submit a corrective action plan to show how the required index (C or above) would be achieved. For more information on this, please see this article's appendix at the bottom of this page.
Ship owners can implement several technologies to meet the requirements. One of these includes Energy Efficient Technologies, which focus on improvement of fuel consumption in auxiliary engines. The DESMI OptiSave™ Energy Saving System offers a cost-effective solution for compliance. It supports ship owners and designers to meet the requirement for reduction of CO2 emissions. Such systems can be integrated at the new build stage or as retrofit applications, fully integrated within the overall control systems. The OptiSave™ system is also suitable for vessels that will continue to be in service beyond 2030.
At DESMI, the message is clear: “Install it regardless of the rules and regulations. At the end of the day, it’s about saving fuel — and in doing so, helping to save the planet.”
When developing solutions to help improve vessels’ operational performance and carbon footprint, DESMI’s design engineers realize there is not a “catch all” solution for all ships.
Fleet and operational patterns are diverse nowadays. At DESMI, we tailor-make our OptiSave™ solution for every ship to ensure the highest possible performance — and we are here to support our customers with the best possible solution.
DESMI is committed to a better environment. The OptiSave™ system was developed with the sole purpose to achieve the highest possible energy saving for centrifugal pumps and axial fans.
The OptiSave™ system is modular, meaning that it is expandable, and several other applications can be included.


The energy savings achieved using the DESMI OptiSave™ system often significantly exceed the pre-calculations made at the point of designing the system.
The background and optimization of speed of the centrifugal machinery is based on Affinity Law, which implies that as the shaft speed or impeller diameter changes, the horsepower changes in proportion to the cube of the change in shaft speed or impeller diameter. In other words, impeller diameter is constant, so by varying the speed, the power consumption will also vary by ~3 times.
The law is expressed with the following formula: P1/P2 = (N1/N2)³ or (D1/D2)³
“Basically there is a relationship among flow, pressure, and power. So, if you reduce the speed, then you reduce the power,” states DESMI.
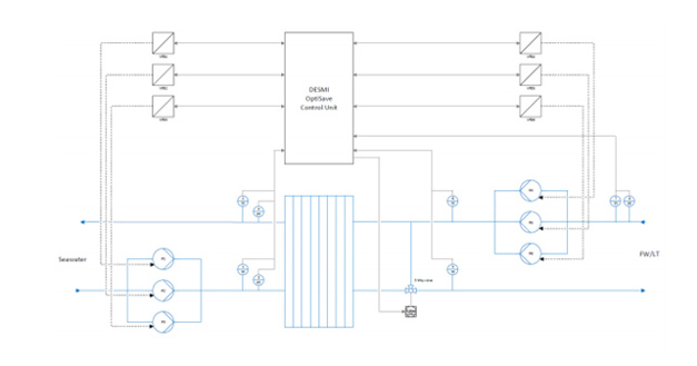
By installing the DESMI OptiSave™ energy-saving system, shipowners will significantly increase the overall efficiency of vessels’ cooling water systems.
Sea cooling water systems and pumps are designed for operation in 32°C seawater and 100% engine load. Normally, they run as if this condition is permanent, all over the world. But actually, there are only a few hot spots where these conditions are present (see map). Otherwise, it is usually lower or much lower.
A standard vessel cooling system operating in these conditions around the world will be absorbing too much energy 95% of the time. The DESMI OptiSave™ system can regulate the energy consumption according to the actual cooling demand – thereby saving fuel as well.
The OptiSave™ system improves the ship’s efficiency of the sea cooling water pumps, depending on the sea water inlet temperature and the overboard sea water temperature. Using the OptiSave™ system allows for an increase in the overboard temperature, increasing the heat exchange capacity, and cooling capacity, making it possible to reduce the power consumption to a minimum.

One can see the effectiveness of the DESMI OptiSave™ system by comparing the journey of two identical vessels traveling from Shanghai to Denmark. One vessel has no system, and the other one has a DESMI OptiSave™ system.
Already in Shanghai (water temperature 24°C), the OptiSave™ ship’s pump speed is at 56%. Where the no-system vessel is running at 100% pump speed and 90 kW usage. The OptiSave™ ship is only using 22 kW.
When reaching the Mediterranean (20°C), the pump is running at half the speed of the “normal” cooling pump system of the OptiSave™ ship.



The OptiSave™ system controls the seawater cooling pumps by changing the pump speed according to the actual cooling capacity demand at any time, thereby achieving maximum power savings.
Each seawater pump has its own individually mounted, marine-approved variable frequency drive (VFD) for pump speed/flow regulation. A master control panel is in turn being fed with process information from the system’s temperature and pressure transmitters. Sensors on the seawater inlet pipe measure the temperature to be able to control and calculate the amount of seawater needed to maintain adequate cooling of the freshwater side.
The temperature transmitters on the seawater outlet pipe are used to monitor and maintain a maximum discharge temperature. This is done to be able to extract the most energy out of the seawater as possible.
DESMI can also mount additional pressure sensors on the seawater side to measure the differential pressure over the central seawater coolers. The differential pressure measurement has the benefit of giving the OptiSave™ system the ability to prompt the duty engineer when back flushing of the coolers is necessary.
DESMI also offers an OptiSave™ system for Low Temperature Fresh Water (LT/FW) cooling where the control is formed by using pressure, temperature, and flow measurements to obtain the lowest possible energy consumption on the main LT/FW pumps.
On almost all commercial vessels, the LT/FW cooling system is designed for a cooling water temperature of 36°C at outlet (inlet to components). This temperature is traditionally controlled by using a PID controller linked to a 3-way valve with a valve actuator.
The 3-way valve will mix the hot LT/FW cooling water returning from components with the colder water coming from the main heat exchangers and keep a constant temperature of 36°C.
As opposed to the open seawater cooling system, the LT/FW cooling water system is closed and needs a certain amount of pressure to function.
When the OptiSave™ system is installed in an LT/FW application, the frequency converters will be programmed to a specific minimum RPM. This RPM corresponds to the minimum pressure setting where the cooling water system will perform as designed. The system maintains pressure using differential pressure measurements.
In order to monitor and control the performance of the system with lower pressure and hence reduced flow, a number of pressure transmitters and temperature transmitters are installed. Each of these sensors have the ability to control the frequency converters in the LT/FW system.
As an added function, the OptiSave™ system is designed to work with the temperature requirements set forward by MAN and by WinGD.
It is possible to increase the overall energy savings of the LT/FW cooling water pumps by adding shutoff valves for the individual components in the LT/FW system. The function of these valves is to close the waterflow through the components, when not in operation, and thereby reduce the flow further. As a result, the power consumption of the main LT/FW cooling water pumps is reduced.

The DESMI OptiSave™ system also works in a similar way for the ventilation system in the engine room. Each fan has its own individually mounted frequency converter and a common control PLC for fan speed/air-flow regulation.
Each fan’s VFD operates with information from the temperature sensor in the engine room, differential pressure measurements, and main engine fuel index measurements.
The system can also control the fire dampers according to operational condition of each individual fan. Dampers can also be manipulated in manual mode. As an extra option, the system is also designed to control the opening and closing of the exhaust louvres in the funnel. This function ensures a better control of differential pressure (overpressure) in the engine room.
The fans being operated by the OptiSave™ system will be operated at same speed, if running in AUTO mode.
The OptiSave™ master control panel includes a colour touchscreen for easy monitoring and system condition. It also includes a number of fail-safe modes. For example, if a wire for a sensor breaks, or if the master control panel is powered off, the pump speed increases automatically to 100% to ensure sufficient cooling.
Furthermore, all alarms and events are logged and can be transferred to the alarm system on the vessel. Remote support is also available for data logging and monitoring performance data – from any remote location in the world, no matter where the ship is sailing. The remote surveillance allows not only fault-findings but also to monitor performance of the system.
The DESMI OptiSave™ system can be installed and commissioned in just four to six days, depending on the size of the system. It does not need modification of the vessel’s safety functions but needs only minimum modification to the existing equipment.
“We can do turnkey solutions, we do the pre-calculations, we do the production and supply the equipment for the installation, and we do the commissioning. There is no need to dry dock, and the installation can be done when the vessel is in service.”
Currently, some 700 OptiSave™ systems are operating across different categories of vessels around the world.
One of these is Maersk Tianjin, oil and chemical tanker, from 2016. In that case, it was reported by Maritime Hawai’i in 2017, that a DESMI OptiSave™ cooling water system saved the vessel an estimated 116 tonnes of fuel per year. This resulted in 359 tonnes of CO2 savings/year and considerable fuel cost savings.
For Maersk Tianjin’s cooling room fans, the OptiSave™ system saved an estimated 32.4 tonnes of fuel per year, with 175 tonnes of CO2 emissions saved.
As part of DESMI’s commitment to our clients, we provide calculations that enable our clients to make decisions. See the example below.
| System Details | Calculated yearly savings | Saving based on VLSFO (IFO380) | Saving based on LSMGO | |||||||
| System | Capacity [m3/h] | Discharge pressure [bar] | Shaftpower [kW] | kWh | FO/Tons | CO2/Tons | Sox/Tons | Nox/Tons | ||
| SEA Cooling Water Pumps | 400 | 2,5 | 45,0 | 503.692,00 | 102,2 | 275,94 | 5,31 | 8,85 | $43.840,73 | $50.864,94 |
| LT Cooling Water Pumps | 340 | 3 | 45,0 | 453.330,00 | 91,98 | 248 | 5 | 8 | $39.456,66 | $45.778,45 |
| E\R Fans | 42000 | 372,6 Pa | 11,0 | 202.356,00 | 41,06 | 111 | 2 | 4 | $17.613,51 | $20.435,56 |
| SUMMARY | 1.159.378,00 | 235,24 | 634,94 | 12,31 | 20,85 | $100.910,90 | $117.078,95 | |||
| Fuel oil price in Tons - (4 Ports Avg, 22/09/21) | $543,00 | $630,00 | ||||||||
Application Manager Marine
Phone: +45 2271 8830
The IMO has adopted new mandatory measures to cut carbon intensity of international shipping, with amendments to MARPOL Annex VI (MEPC.328(76)) adopted at MEPC 76. These amendments combine technical and operational approaches to improve the energy efficiency of ships.
Technical Approach
An Energy Efficiency Existing Ship Index (EEXI) is required to be calculated for ships of 400 gt and above, in accordance with the different values set for ship types and size categories. This indicates the energy efficiency of the ship compared to a baseline. Ships are required to meet a specific required EEXI, which is based on a required reduction factor (expressed as a percentage relative to the Energy Efficiency Design Index (EEDI) baseline).
Operational Approach
The operational approach includes a ship’s annual operational carbon intensity indicator (CII) and CII rating.
The CII determines the annual reduction factor needed to ensure continuous improvement of the ship's operational carbon intensity within a specific rating level. The actual annual operational CII achieved (attained annual operational CII) would be required to be documented and verified against the required annual operational CII.
This would enable the operational carbon intensity rating to be determined. The rating scale - A, B, C, D or E - indicates a major superior, minor superior, moderate, minor inferior, or inferior performance level. The performance level would be recorded in the ship's Ship Energy Efficiency Management Plan (SEEMP).
A ship rated D for three consecutive years, or E, would have to submit a corrective action plan, to show how the required index (C or above) would be achieved. Administrations, port authorities and other stakeholders as appropriate, are encouraged to provide incentives to ships rated as A or B.
In simple terms, the short-term term measure is aimed at achieving the carbon intensity reduction aims of the IMO initial greenhouse gas (GHG) strategy. More information can be found on the IMO’s website regarding the energy efficiency measures, GHG reduction measures and GHG strategy.
November 2025
October 2025
October 2025
September 2025